Pressure Gauge Diaphragm Seal Manufacturers and Exporters A Comprehensive Guide
In the realm of industrial processes and equipment, pressure measurement is paramount. To ensure accurate and reliable readings, pressure gauges are employed, often coupled with diaphragm seals. These components not only protect the gauge from harsh media but also allow for the measurement of fluids that might corrode or clog traditional pressure sensors. This article delves into the world of pressure gauge diaphragm seal manufacturers and exporters, providing insights into their products, applications, and global market trends.
Pressure Gauge Diaphragm Seals An Essential Accessory
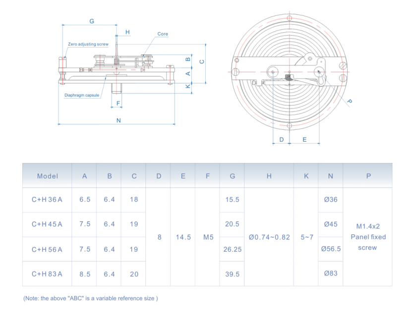
A diaphragm seal consists of a flexible diaphragm made of stainless steel or other corrosion-resistant materials, which separates the pressure medium from the pressure gauge. When the pressure is applied to the diaphragm, it deflects, and the resulting movement is transmitted to the pressure gauge through a liquid-filled system. This design ensures that the gauge remains isolated from the process fluid, making it suitable for measuring aggressive or hazardous substances.
Manufacturers and Exporters Key Players in the Industry
Companies specializing in the production of pressure gauge diaphragm seals can be found across the globe. These manufacturers offer a wide range of products, including standard seals, custom-designed seals, and accessories such as isolators and fill fluids. Many of these firms also provide engineering services to help customers select the right seal for their specific application.
Exporters play a crucial role in connecting manufacturers with global markets
Exporters play a crucial role in connecting manufacturers with global markets

Exporters play a crucial role in connecting manufacturers with global markets
Exporters play a crucial role in connecting manufacturers with global markets
pressure gauge diaphragm seal manufacturers exporters. By expanding their reach beyond domestic borders, exporters enable manufacturers to tap into new customer bases and increase their revenue streams. They also facilitate the import of raw materials and other essential components required for production.
Market Trends and Future Outlook
The demand for pressure gauge diaphragm seals is driven by the ongoing expansion of the industrial sector, particularly in emerging markets. As industries like oil and gas, chemical processing, and power generation continue to grow, so does the need for reliable pressure measurement solutions.
Furthermore, the trend towards more complex and sophisticated industrial processes is driving the demand for advanced diaphragm seal technologies. Manufacturers are constantly innovating to develop seals that are more durable, accurate, and adaptable to diverse applications.
In conclusion, pressure gauge diaphragm seal manufacturers and exporters play a vital role in the industrial sector. By providing high-quality products and services, they enable businesses to measure pressure accurately and safely, ensuring the optimal performance of their equipment and processes. With the industry poised for continued growth, these companies will undoubtedly play an even more significant role in the years ahead.